欢迎访问深圳市金泰自动化科技有限公司官方网站网站地图 | 咨询热线:13802235266
产品名称微型滑轨
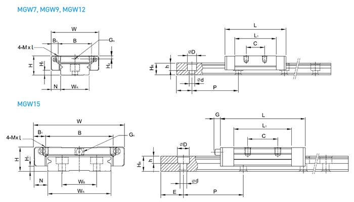
产品系列MGW
产品型号MGW12C
服务热线:13802235266
优势特点:MGW12C为微型系列导轨,组合高度为14mm,安装孔尺寸为28*15,对于直线导轨的安装,需要认真仔细,在安装的时候,不可以出现强力进行冲压的状况,也不可以使用重物对导轨进行安装和敲击,一旦出现安装不当的状况,要采取技术上的行为进行安装。

| 型号 | 组件尺寸 | 滑块尺寸 | |||||||||||||
| H | H1 | N | W | B | B1 | C | L1 | L | G | Gn | M×L | H2 | |||
| MGW12C | 14 | 3.4 | 8 | 40 | 28 | 6 | 15 | 31.3 | 46.1 | - | Ø1.2 | M3×3.6 | 2.8 | ||
| 型号 | 滑轨尺寸 | 滑轨的 固定螺栓 尺寸 | 基本 动额 定负荷 | 基本 静额 定负荷 | 容许静力矩 | 重量 | ||||||||||||
| WR | HR | D | H | d | P | E | (mm) | C(KN) | C0(KN) | MR N-m | MP N-m | MY N-m | 滑块 kg | 滑轨 kg/m | ||||
| MGW12C | 24 | - | 8.5 | 8 | 4.5 | 40 | 15 | M4×8 | 3.92 | 5.59 | 70.34 | 27.80 | 27.80 | 0.071 | 1.49 | |||
如何避免国产直线导轨MGW12C损坏的状况发生呢?
直线导轨也就是人们常说的线性导轨,这样的机械使用部件属于精密的零件,因此上,在使用的时候,稍有不慎,就会造成零件的损坏,因此上,在生产操作的时候,一定要采取比较谨慎的生产态度,避免出现因为使用不正确而造成线性导轨的损坏的状况。接下来,我们就了解一下直线导轨使用时要注意的事项。避免直线导轨损坏。
1、使用要求
国产直线导轨MGW12C对于使用的环境也有着比较高的使用要求,在我们生产的环境中,不仅有看得见的灰尘,还存在一些看不见的灰尘,这些灰尘一旦落入到线性导轨中,就会出现一些不良的使用反应,比如说提高导轨的磨损度,使机械的振动力量加大,再有就是噪音声提高等,继而就会引发出其他的使用的问题。
2、安装事项
对于国产直线导轨MGW12C的安装,也需要认真仔细,在安装的时候,不可以出现强力进行冲压的状况,也不可以使用重物对导轨进行安装和敲击,一旦出现安装不当的状况,要采取技术上的行为进行安装。
3、要避免出现锈蚀的状况
要避免出现这样的使用状况,首先避免直接的使用双手取拿这样的配件,而正确的做法就是使用前把自己的双手清洗干净,去除污渍和汗液,再有就是可以再直线导轨上涂抹好一些矿物油脂,然后在进行其他方面的操作。尤其是到了潮湿的夏季,一定要做好防潮处理。